下载app免费领取会员
快速搞定照明模型
第十六期“全国BIM等级考试”马上就要开考了,通过分析最近几年来的二级设备真题,我们可以发现,照明模型算是近几年必不可少的一题,而且分值所占比例较大,也比较容易得分。
为了让大家能够快速拿到这一题的分,我们总结了照明模型考试的一般套路与解题方法,如下:

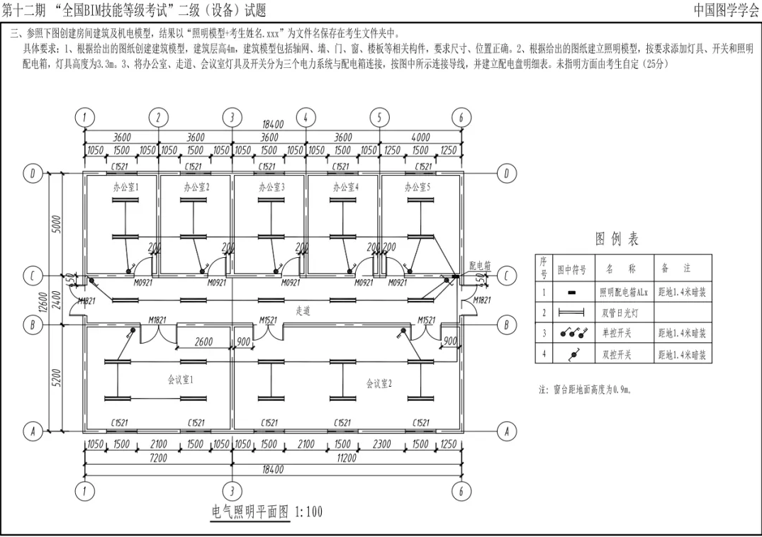
知道了一般要求和解题思路以后,今天我们就以最具代表性的第十二期第三题考题来教大家如何高效快速把这一题的分拿到手。
首先我们先来分析题目:

01、题目要求
1、根据图纸创建建筑模型;
2、建立照明模型;
3、连接导线;
4、建立配电盘明细表;
考试重点:本题的重点是照明模型、电力系统、配电盘明细表。
02、绘制方法
1、新建项目,绘制建筑模型;
2、放置灯具、开关和照明配电箱;
3、选中配电箱,为其创建配电系统;
4、创建电力系统,把各电力系统与配电箱连接,并如题连接好导线;
5、添加电力系统名称;
6、选中配电箱,创建配电盘明细表;

根据题目要求,灯具设置在3.3m的高度,直接放置灯具可能会选择不到正确的依附位置,我们可以通过新建一个3.3m的天花板平面,再将灯具选择放置到面上来辅助放置灯具,画完再将天花板删除即可。

接下来是放置灯具开关和配电箱:


然后就是为照明配电箱配置配电系统

根据题意,选择同一电力系统下的开关和灯具,点击修改面板的“电力”:

点击修改电路面板的“选择配电盘”,先选择照明配电箱,再点击“带倒角导线”;

如果生成的导线与题目不符,可以手动删除路径不一致的管线,选择导线下拉菜单中的倒角导线,按题意重新绘制即可。

分别选择办公室、走道、会议室三个电力系统任意灯具,点击电路面板,在属性栏中“负荷名称”一栏修改各自的电力系统名称。

点击配电箱,选择任务栏的“创建配电盘明细表”创建明细表。

生成的配电盘明细表如下:

完成并保存项目。
好了,以上就是第十二期第三题关于照明模型题目如何快速完成的方法,是不是非常简单呢?
Revit中文网作为国内知名BIM软件培训交流平台,几十万Revit软件爱好者和你一起学习Revit,不仅仅为广大用户提供相关BIM软件下载与相关行业资讯,同时也有部分网络培训与在线培训,欢迎广大用户咨询。
网校包含各类BIM课程320余套,各类学习资源270余种,是目前国内BIM类网校中课程最有深度、涵盖性最广、资源最为齐全的网校。网校课程包含Revit、Dynamo、Lumion、Navisworks、Civil 3D等几十种BIM相关软件的教学课程,专业涵盖土建、机电、装饰、市政、后期、开发等多个领域。
需要更多BIM考试教程或BIM视频教程,可以咨询客服获得更多免费Revit教学视频。
本文版权归腿腿教学网及原创作者所有,未经授权,谢绝转载。
上一篇:Revit技巧 | revit怎么做共享参数?Revit中创建共享参数的方法
下一篇:Revit技巧 | revit怎么分楼层?Revit三维视图中显示特定楼层模型
推荐专题